Microelectronics Research Development Corporation
KM-805510;  Temporal LatchTM SEU Immune Programmable FPGA Scrubber
White Paper: "Fast Local Scrubbing for FPGA’s Configuration Memory"
Electronic integrated circuits providing radiation hardening for digital logic architecture
Scrubbing is the process of removing errors from a memory's content by rewriting it periodically with correct values. Scrubbing is used in conjunction with Triple Mode Redundancy (TMR) to mitigate the effects of radiation in SRAM-based FPGAs. Micro-RDC's programmable scrubber for FPGAs is the first industry available scrubber flexible enough to support a wide range of FPGA families and different implementation options (Radiation-Hardened-By-Design (RHBD) Structured ASIC (S-ASIC) or RTL for implementation in any reconfigurable device). RTL can be implemented in any generic FPGA.
Features  
  • Based on a RISC processor with 8-bit data bus and 14-bit wide instructions, up to 64K instructions and a operation frequency of 50MHz. 
  • CRC16 calculation capability for error detection. Stores up to 1024 checksums. 
  • Error Detection And Correction (EDAC) optional. 
  • Frame-based scrubbing capable. 
  • Read-detect-scrub capable. 
  • Single Event Failure Interrupt (SEFI) detection capabilities. 
  • Capable of fully configuring the device upon request. 
  • Supports SelectMAP32, SelectMAP8, ICAP32 and JTAG configuration interfaces. 
  • Expandable to interface with different forms of non-volatile storage. 
  • Reporting and statistics gathering capabilities through a RS232 port. 
  • Modular design: Can add or remove peripherals as needed. Basic module comprises the RISC controller, a Read Only Memory (ROM) interface, a CRC16 calculation module, a communication module (RS232) and a configuration memory interface (SelectMAP32). 
  • Available in IP form (to be implemented in a reconfigurable device) or in a Rad-Hard S-ASIC device.
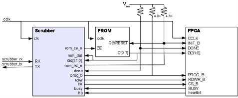
Scrubber as Master Configuration Controller
Scrubber as Slave Configuration Controller